Home

 

Arduino

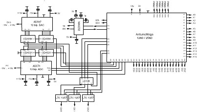
Das Herz des Mess-System ist das Arduino-Board. Der Arduino Mega (1280, 2560) steuert die Datenerfassungskarten und übernimmt die Verbindung zu PC.
Viele der digitalen Ein/Ausgänge, der Analogeingänge und der PWM-Ausgänge sind am Bus herausgeführt. Zusätzlich zu den PWM-Ausgängen gibt es noch drei 12 Bit DA-Wandler (0..2,048V) und einen bipolaren 12 Bit DA-Wandler (-10 ... +10V).
Die Arduino eigenen AD-Ports werden noch durch einen bipolaren 12 Bit AD-Wandler ergänzt.
Auf der Platine befindet sich noch ein RS232 Pegelwandler.
 
 
 
 
 
 
 

Schaltung PDF-Format Schaltplan im PDF-Format