Home

 

2 Kanal GM-Counter

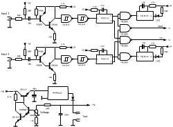
Die Platine ist zum Betrieb von zwei Geiger-Müller-Zählrohren gedacht. Die Signale der Zählrohre werden mit einer Transistorstufe verstärkt und mit Schmidt-Triggern digitalisiert. Die digitalen Signal steuern zwei Monoflops, der erste mit kurzer Impulsdauer (ca. 100 µs) dient zur weiteren Verarbeitung des Signals, der zweite mit langer Impulsdauer (100ms) stschaltet LEDs zur optischen Anzeige der Impulse. Die kurzen Zählimpulse der ersten Monoflops werden über ein AND- und ein OR-Gatter kombiniert, die Ausgänge der Gatter lösen im angeschlossenen Arduino einen Interrupt aus und können so gezählt werden. Wird der Ausgang des AND-Gatters verwendet entspricht das einer Koinzidens der beiden Kanäle. Nur Teilchen, die beide Zählrohre durchfliegen werden gezählt (z.B. Mesonenteleskop).
Die Platine liefert auch eine stabilisierte Betriebsspannung für die Zählrohre die im Bereich von 200 bis 800V eingestellt werden kann.
     
 
 
 
 
 
 

Schaltung PDF-Format Schaltplan im PDF-Format