Home

 

Lockin-Verstärker

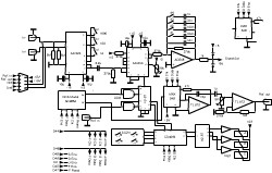
Als Eingangsstufe wird ein Instrumentenverstärker AD584 verwendet. Die Verstärkung kann in den Stufen 1,10,100 und 1000 verändert werden. Auf den Eingangsverstärker folgt der Synchrongleichrichter AD630. Das Referenzsignal kann extern eingespeist oder von einem DDS-Oszillator AD9850 geliefert werden. Die Zeitkonstante des auf den Gleichrichter folgenden Integrator kann in 16 Stufen zwischen 3 ms und 400 ms gewählt werden.Auch das ausgegebene Referenzsignal kann in weiten Grenzen (4096 Stufen) verändert werden. Selbstverständlich ist auch die Frequenz des DDS einstellbar. Wobei der Frequenzbereich des DDS (0,1 Hz .. 10MHz) wesentlich größer ist als der durch die analoge Schaltungstechnik nutzbare Bereich von etwa 100Hz bis 10 kHz. Die Phasenlage des Referenzsignal kann zwischen 0° und 180° umgeschaltet werden.
>Schaltbild im PDF-Format<
   
 
 
 
 
 
 

Schaltung PDF-Format