Home

 

Vielkanal-Analysator

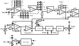
Der Vielkanal-Analysator dient zur Spektroskopie mit Proportional-, Halbleiter- oder Szintillationszählern. Da die Signal der Detektoren meist sehr klein sind ist vor dem Analysator ein mehrstufiger Verstärker geschaltet. Auf den in der Verstärkung (1x, 3x, 10x, 30x und 100x) umschaltbarem Eingangsverstärker folgen ein Hoch- und Tiefpass mit gleichen umschaltbaren Zeitkonstanten (100ns, 300ns, 1µs, 3µs). Ein zuschaltbare Stufe ver nochmal um den Faktor 10 und eine weitere Stufe erlaubt die Umkehrung der Polarität des Signals und die Addition einer Offsetspannung.
Auf die Verstärkerstufen folgt ein Komparator dessen Ausgangssignal über ein Flipflop die Sample&Hold-Stufe triggert. Das Ausgangssignal der SH-Stufe wird dem AD-Wandler zugeführt.
Auf der Platine befindet sich noch ein DC-DC-Wandler der die Biasspannung (max. 45V) für Halbleiterdetektoren bereit stellt.
     
 
 
 
 
 
 

Schaltung PDF-Format Schaltplan im PDF-Format