Home

 

Mittelspannungsnetzteil

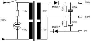
Das Netzteil liefert Spannungen von ca. 330 V, b.z.w. 660 V. Die Schaltung ist sehr einfach, die Spannung wird direkt durch eine Spannungsverdopplerschaltung aus der Ausgangsspannung eines kleinen Trenntrafos generiert. Große Siebkondensatoren sorgen für eine niedrige Restwelligkeit.
Da der Ausgang des Netzteils erdfrei ist kann es auch bipolar (+- 330 V) verwendet werden. Der Einschub ist für den Steckplatz 11 vorgesehen.
 
 
 
 
 
 

Schaltung PDF-Format Schaltung im PDF-Format