Ionisationskammer
|
| Prinzip: |
Eine der ältesten
Detektoren für ionisierende Strahlen ist die Ionisationskammer.
Schon Marie und Pierre Currie verwendeten bei der Entdeckung des Poloniums
und Radiums eine Art der Ionisationskammer für Aktivitätsmessungen.
Eine Ionisationskammer besteht aus zwei Elektroden die über ein
empfindliches Strommessgerät mit einer Spannungsquelle verbunden
sind. Durchquert ein ionisierendes Teilchen den Gasraum zwischen den
Elektroden werden die gebildeten Ionen durch das elektrische Feld
zu den Elektroden beschleunigt und am Strommessgerät kann ein
Strom gemessen werden. Dieser Strom ist allerdings sehr klein und
zur Messung sind hochempfindliche Geräte notwendig.
Je nach den Erfordernissen der Messung sind sehr verschiedene technische
Ausführungen der Ionisationskammer bekannt. In der einfachsten
Ausführung besteht eine Ionisationskammer aus einem aufgeladenem
Blättchenelektrometer. Der durch die Strahlung einsetzende Ionisationsstrom
entlädt das Elektrometer und aus der Entladezeit kann auf die
Intensität der Strahlung geschlossen werden. |
 |
| Aufbau: |
| Für den Selbstbau eignet sich der
zylinderförmige, konzentrische Aufbau. Diese Anordung bietet
ein gute Abschirmung der empfindlichen Messelektrode. Die zu messenden
Ströme sind meist im Picoampere Bereich, eine gute Abschirmung
gegen Netzbrumm und sonstige Störungen ist deshalb zwingend erforderlich.
Ebenso muss das Auftreten von Kriechströmen zwischen Messelektroden
verhindert werden. Diese Kriechströme werden durch einen geerdeten
Schutzring zwischen den die Elektroden tragenden Elektroden verhindert.
|
 |
 |
| Die Vorspannung sollte so hoch gewählt
werden das alle Ionen auf den Elektroden gesammelt werden aber noch
keine Stossionisation des Füllgases eintritt. Die im Anfangsbereich
lineare Strom/Spannungs Kennlinie einer Ionisationskammer weist aber
einer bestimmten Spannung eine Sättigung auf. |
| Ab dieser Spannung wird der Strom dann
nur noch von der einfallenden Strahlung bestimmt.Je nach Abmessungen
der Kammer werden einige Hundert Volt zur Erreichung dieses Betriebszustands
benötigt.Besonders Augenmerk verdient der Stromverstärker.
Da der Innenwiderstand der Ionisationskammer sehr hoch ist muss der
Eingangswiderstand des Verstärkers entsprechend hohe Werte aufweisen.
Füher waren hierzu aufwendige Schaltungen mit speziellen Elektrometerröhren
notwendig. Mittlerweile werden bessere Daten mit Operationsverstärkern
erreicht. Schon der Allzweck OP TLC 271 weist Biasströme
von weniger als einem Picoampere auf während es spezielle Elektrometer
OP's wie der AD 515 auf einige Femtoampere bringen. |
|
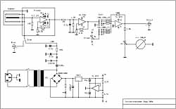
| Schaltung: |
Die Eingangsstufe
mit einem TLC 271 in Elektrometerschaltung ist direkt an der Kammer
angebracht und besitzt eine Spannungsverstärkung von 3,5. Der
Eingangswiderstand beträgt 10 Gigaohm. Nach einem Tiefpass (11
ms) folgt einer weiter Verstärker mit einstellbarer Verstärkung
(1,10,100). Ein weiter Verstärker erlaubt eine Offset-kompensation
und ändert die Polarität um eine positive Ausgangsspannung
zu erhalten, eine positive Ausgangsspannung ist Voraussetzung für
eine einfache Verarbeitung des Signals im PC.
Die positive und negative Versorgungsspannung für die OP's wird
mit einem aktivem Spannungsteiler erzeugt. Die Vorspannung für
die Kammer beträgt 30V und wird über eine Verdopplerschaltung
erzeugt. |
|
|
| Betrieb: |
| Zum Test wurde
der Auffängerelektrode über einen hohen Widerstand von 1000
Gigaohm ein einstellbarer Referenzstrom zugeführt. Aus dem Diagramm
ist zu sehen, dass sich ein Strom von 10 Femtoampere gerade noch vom
Rauschen abhebt, während ein Strom von 50 Femtoampere gut messbar
ist. Man sieht, dass auch der billige Operationsverstärker TLC
271 durchaus in der Lage ist kleinste Ströme zu messen. |
 |
Das rechte Diagramm zeigt
die Kennlinie der Kammer mit verschiedenen Teststrahlern. Den größten
Effekt mit ca. 1,5 pA geben die Alpha Strahlen eines Americium-241
Strahlers aus einem Rauchmelder. Die schwächer ionisierenden
Beta Strahlen des Strontium-90 Präparat ergeben trotz höherer
Aktivität einen Strom von 250 fA. Nur etwa 100 fA Ionisationsstrom
erzeugt die Strahlung eines Thorium getränkten Glühstrumpfes.
Sehr gut ist das Sättigungsverhalten der Kennlinie zu sehen.
Die Sättigungsspannung ist bei den kleinen Abmessungen der Kammer
und den kleinen Strömen erstaunlich niedrig. Selbst beim Americium
Strahler beträgt sie nur einige Volt, so dass die interne Vorspannung
der Kammer von 30V völlig ausreicht. |
 |
|
| Messung der Halbwertszeit von Thoriumemanation |
Thoriumemanation ( Thoron oder Radon 220)
ist ein radioaktives Edelgas das laufend aus Thoriumpräparaten
gebildet wird. Thoron zerfällt mit der kurzen Halbwertszeit von
56 sec. Zur Bestimmung der Halbwertszeit wird die Luft über einem
Thorium enthaltenden Glühstrumpf im Kreislauf durch die Ionisationskammer
gepumpt.
Nach dem Einschalten der Pumpe steigt der Ionisationsstrom durch die
Aktivität des Thorons stark an und nach einigen Minuten stellt
sich ein Gleichgewicht ein. Nach dem Ausschalten der Pumpe zerfällt
dsa in der Ionisationskammer verbliebene Thoron mit seiner Halbwertszeit
und aus der Abklingkurve der Aktivität kann die Halbwertszeit
bestimmt werden. |
 |
 |
|
|
| An die geglätteten Abfallkurve wie eine Exponentialfunktion
angepasst. Aus dieser Funktion kann die Abfallzeit auf 50% Aktivität
mit zu 52,8 sec bestimmt werden. Der amtliche Wert beträgt wie erwähnt
56 sec. |
| |