Wilsonsche Nebelkammer
|
|
Allgemeines: Die schon 1922 von Wilson erfundenen Nebelkammer
erlaubte erstmals auf einfache Weise nicht nur die Anwesenheit sondern
auch die Bahn von radioaktiven Teilchen zu erforschen. Die Wirkungsweise
der Nebelkammer ist vergleichsweise einfach. In einer mit Dampf übersättigten
Atmosphäre verursachen die entlang der Bahn des Teilchens entstandenen
Ionen eine Kondensation des Dampfes und somit eine sichtbare Spur von
Tröpfchen entlang der Bahn. Die notwendige Übersättigung
wird durch adiabatische Expansion (Expansions Nebelkammer) eines mit Dampf
gesättigten Volumens erreicht. Aufgrund dieses Prinzips ist die Kammer
nur für relativ kurze Zeit, 10 bis 100 ms die Strahlung empfindlich.
Eine andere Art ist die Diffusionsnebelkammer bei der eine dauernde Übersättigung
und somit dauernde Empfindlichkeit erreicht werden kann.
|
| |
| Konstruktion: Die oben
erwähnte Expansion kann auf verschiedenste Weise erreicht werden,
meist wird ein Kolben oder eine Membran verwendet. Abgesehen von ganz
einfachen, mit einem Gummiball von Hand betriebenen Kammern, eignet
sich eine mit Druckluft betriebene Membrankammer gut für den
Selbstbau. In der rechten vereinfachten Zeichnung ist der Aufbau ersichtlich.
In einer Plexiglas- kammer wird mittels Preßluft eine Gummimembran
aufgeblasen und so das Volumen des oberen Kammerteils verringert Zum
gegebenem Zeitpunkt wird dann ein Ventil mit einem Hubmagneten geöffnet
und so die Membran entlastet und eine schnelle Vergrößerung
des oberen Kammerteils erreicht. Das Expansionsverhältnis wird
durch die Größe des Überdrucks unter der Membrane
eingestellt. Von besonderer Wichtigkeit für den erfolgreichen
Betrieb einer Nebelkammer ist die richtige Beleuchtung, die aus einer
Zeile aus 8 weißen Leuchtdioden und einer Zylinderlinse aus
Plexiglas besteht. Diese Anordnung erzeugt ein flaches Lichtbündel
welches die Kammer seitlich durchstrahlt so werden |
 |
die Nebelspuren durch Streuung des Lichtes hell auf
dunklem Hintergrund sichtbar. Weiterhin muß in der Kammer ein
elektrisches Feld von einigen Hundert V/cm erzeugt werden um etwa
vorhandene Restionen, abzusaugen. In diesem Fall wird das Feld zwischen
einem Metallgitter über der Membran und einem Metallring an der
Deckscheibe erzeugt durch Anlegen einer Spannung von einigen Hundert
Volt
|
|
Weiterhin
benötigt man natürlich eine geeignete Ablaufsteuerung,
die zu gegebener Zeit die einzelnen Funktionen ausführt.
Diese Steuerung wurde mit einem PIC Prozessor 16 F 84
von Microchip auf gebaut. Zur Messung des Überdrucks und
somit des Expansionsverhältnisses dient ein Halbleiterdrucksensor
TPX 5100 von Motorola. Damit kann nicht nur der Überdruck
präzise geregelt werden sondern auch der wichtige zeitliche
Verlauf des Druckabfalls, Expansion aufgezeichnet werden. Auf
dem linken Bild ist der Aufbau zu sehen. Links ist die Beleuchtungseinrichtung
aus LED Zeile und Zylinderlinse zu sehen |
|
| In der Mitte die
Kammer aus einem Plexiglasrohr. Das Drahtgitter auf halber Höhe
ist mit schwarzem Filz belegt , der später mit Kammerflüssigkeit
getränkt wird. Die schwarze Gummimembrane unten ist aus einem
Motoradschlauch ausgeschnitten. Unter der Grundplatte sind die restlichen
Komponenten (rechtes Bild) angeordnet. In der Mitte das selbstgebaute
Expansionsventil, links davor der Drucksensor und rechts der kleine
Membrankompressor. Zusätzlich zur LED Beleuchtung wurde noch
eine stabförmige Blitzlampe mit Reflektor und Zylinderlinse angebaut.
Diese Lampe ermöglicht eine sehr helle und sehr kurzzeitige Beleuchtung
für Fotoaufnahmen |
 |
|
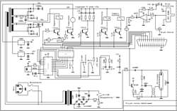
| Schaltung
und Programm |
|
|
|
|
Zusätzlich zum autonomen
Betrieb, kann die Kammer über ein Interface auch fremdgesteuert
werden. Das zu ist z.B. der PC Parallel / Drucker Port geeignet oder
jeder andere Port mit min. 6 TTL kompatiblen Ausgängen. So können
verschiedene Betriebsparameter der Kammer verändert werden ohne
jedesmal den Pic neu zu programmieren. Der Anschluß erfolgt
über eine 25-polige Sub D Buchse. Die Anschlußreihenfolge
entspricht der PC Druckerschnittstelle sodaß mit einem 1:1 Kabel
gearbeitet werden kann. Ein einfaches Turbo Pascal Programm
dient zur Ansteuerung der verschiedenen Funktionen. |
| 25 pol. Sub D Buchse |
| 2 |
Expansionsventil |
| 3 |
Kompressorfreigabe |
| 4 |
LED Ansteuerung |
| 5 |
Triggerung Blitz |
| 6 |
Saugspannung |
| 7 |
Kameraauslöser |
| 24 |
Gnd |
| 25 |
Gnd |
| alle anderen Pins sind nicht belegt |
|
| |
|
|
|
|
|
|
Inbetriebnahme: |
| |
Ablaufsteuerung |
|
| 1 |
Druck aufbauender eingebaute Kompressor |
| 2 |
Kamera auslösen, aufgrund der langen Verzögerung
der Kamera nach dem Auslösen bis zur Aufnahme des Bildes
muß die Kamera sehr früh getriggert werden |
| 3 |
Saugspannung abschalten |
| 4 |
Expansions Impuls zum Öffnen des Magnetventils,
die Verzögerung bis zum vollständigen Druckabfall
beträgt 25 ms |
| 5 |
nach einer Verzögerung von 90 ms Auslösung
des Blitzes |
| 6 |
Wiedereinschalten der Saugspannung |
|
Vor dem Verschließen
der Kammer wurde der Abdeckfilz mit etwas ( ~5ml) einer 50:50 Methanol
/ Wasser Mischung getränkt. Da noch kein geeignetes radioaktives
Präparat (vorzugsweise Alpha Strahler) zur Verfügung stand,
wurde die Hoffnung auf die allgegenwärtige natürliche Höhenstrahlung
gesetzt.
Zuerst wurden die Druckverhältnisse gemessen. Auf dem rechten
Oszillogramm zeigt die obere Kurve die Ansteuerung des Magnetventils
und unten der Druck in der Kammer.Die Verzögerung des Ventils
beträgt 20 ms und die Kammer expandiert in 5 ms. Die ersten Versuche
waren dann enttäuschend, zu sehen waren nur Nebelschwaden und
keine Teilchenspuren. Aber nach etwa 10 Minuten Betrieb klärte
sich die Kammer und die ersten Spuren waren zu sehen. Allerdings ist
das Lichtbündel noch zu hoch und somit wird auch der schwarze
Filz beleuchtet. Zusätzliche, das Lichtbündel begrenzende,
Blenden sollten dieses Problem lösen. |
 |
| |
|
|
|
|
|
Das Expansionsverhältnis für
einen bestimmten Überdruck unter der Gummimembran wurde durch
Ausmessen des entstehenden Kugelabschnitts bestimmt und im rechten
Diagramm aufgetragen. Die Abweichung bei den höchsten Werten
ist die Begrenzung der Ausdehnung des Gummis durch das obere Gitter |
 |
|
| Nach den Erfolgen mit der
Höhenstrahlung und der natürlichen Umgebungsradioaktivität
wurde eine Quelle mit einer kleinen (~50 mg) Probe aus Pechblende
eingebaut. Dieses Mineral welches,neben Spuren von Polonium, Radium
u.A. hauptsächlich Uran enthält ist in einem Messingröhrchen
eingebracht. Im rechten Bild ist dieses Röhrchen am oberen Bildrand
zu sehen, und der Büschel der von dieser Quelle emittierten Alpha
Teilchen. Wie erwartet haben alle Teilchen etwa die gleiche Reichweite
von etwa 2 cm. Um trotz der kleinen Aktivität der Quelle mehrere
Spuren zu erhalten wurden für das rechte Bild vier einzelne Aufnahmen
addiert. Nach längerem Betrieb der Kammer ist ein Beschlagen
der Deckscheibe festzustellen, wodurch die Spurenbilder unscharf werden.
Durch kurzes Erwärmen mit einem Föhn ist das aber leicht
zu beheben ist |
 |
|
 |
Da
viele der, die Spur verursachenden, Teilchen elektrisch geladen sind
können sie durch Magnetfelder abgelenkt werden. Am einfachsten
gelingt dies bei den leichten Elektronen. Das rechte Bild zeigt die
Spur zweier Elektronen, die durch das Feld einer Spule auf Kreisbahnen
gezwungen werden. Die Spule hat 20 Wicklungen und wird mit einem Strom
von 20A erregt. Leider wird durch die Verlustwärme der Spule
die Funktion der Nebelkammer sehr gestört sodaß nur verschwommene
Spuren zu erhalten sind |
 |
| Der obige Film
im Flash-Format mit ca. 450kByte ist aus 25 Einzelaufnahmen erstellt. |
|
| |