8 Stufiger Spulen Beschleuniger
|
|
Aufbau: angeregt durch die guten Ergebnisse mit dem >>>ersten
Aufbau<<< wurde eine verbesserte Version eines Induktions
Beschleuniger aufgebaut. Folgende Änderungen wurden durchgeführt:
1: Die Zahl der Stufen wurde von vier auf sieben erhöht.
2: Der Injektor wurde auch als Wirbelstromstufe ausgeführt.
3: Die Spulenlänge wurde der steigenden Geschwindigkeit angepasst.
4: Die etwas unzuverlässige Serientriggerung wurde durch Funkenstrecken
mit Triggerelektroden verbessert.
|
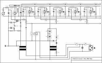
Alle sieben Stufen
sind nach dem selben Schema aufgebaut das rechts skiziert ist. Die
Speicherkondensatoren sind wiederum 40µF 2.5 kV Bosch MP Kondensatoren,
die Triggerkonden-satoren sind keramische 3nF 20kV Typen. Die durch
das passierende Geschoss zündende Triggerfunkenstrecke erzeugt
einen 6kV Impuls an der Triggerelektrode der Schaltfunken-strecke.
Die so zündende Schaltfunkenstrecke entlädt den 40µF
Speicherkondensator über die Beschleunigungsspule.
Die erste, die Injektorstufe, ist ähnlich aufgebaut, nur erfolgt
hier die Zündung über einen Triggertrafo und eine durch
Knopfdruck ausgelöste Thyristorschaltung |
 |
|
|
|
|
| Das Grundgerüst
besteht aus stabilen Aluprofilen und PVC Platten. Das obige Bild zeigt
die 8 Speicherkondensatoren. Hinter den Kondensatoren ist, auf dem
Bild nicht zu sehen, das Netzteil eingebaut. Die wenigen Bedienelemente,
Netzbuchse, Netzschalter, Ladeschalter, Ladekontrolle, Triggerknopf
und Triggerbuchse sind auf der Rückseite angebracht. Das rechte
Bild zeigt links die Reihe der Triggerkondensatoren, in der Mitte
das Beschleunigungsrohr mit den Spulen, die Reihe der Schaltfunkenstrecken
und ganz rechts die Ladewiderstände. |
|
| Das rechte Bild zeigt die
drei letzten, mündungsseitigen Stufen im Detail. Als Lauf wurde
statt dem zum Splittern neigendem Plexiglas, ein dünnwandiges
Rohr aus PVC ähnlichen Kunstoff verwendet. Der Lauf hat ein Kaliber
von 13 mm und als Projektil wird ein etwas untermaßiges (12
mm) dünnwandiges Alurohrstück mit 25 mm Länge verwendet.
Nach mehreren Schüssen werden die Geschosse |
 |
 |
durch die mag-
netischen Kräfte stark deformiert, wie bei einem
Can Crusher |
|
 |
Blick auf das Netzteil, rechts
das 2.5 kV Ladeteil und die Triggereinheit für die erste Stufe.
Links das 6 kV Netzteil für die Triggerung der Stufen zwei bis
acht. Einzelheiten sind dem Schaltplan zu entnehmen. |
|
|
|
| Betrieb: |
|
 |
|
|
|
Die Ergebnisse eines Probeschusses auf ein 10 mm starkes Holzbrett.
Rechts daneben das zugehörige Oszillogram. Die Pulse stammen
von 2 Lichtschranken welche in 63 mm Abstand angeordnet sind. Aus
dem zeitlichem Abstand von 280µs der Pulse errechnet sich eine
Geschwindigkeit 225 m/s. Allerdings zündeten bei diesem Schuss
nur 7 der 8 Stufen. |
|
|
|
| Das obige Bild zeigt einen Schuß mit voller Leistung. Aus
der Verzögerungszeit des Blitzes von 500µs und der zurückgelegten
Strecke von 150mm errechnet sich eine Geschwindigkeit von 300m/s.
Allerdings ist dieses Ergebniss mit einem Fehler von etwa 10% behaftet,
da der Blitz durch eine Alustreifen ausgelöst wird der vom Geschoss
durchtrennt wird. Meine Lichtschranken waren für diese Aufgabe
zu störanfällig. Auffallend der der gerade Flug des Rohrprojektils.
Die Flugstrecke von der Mündung bis zum Bild beträgt etwa
einen Meter. Das rechte Bildzeigt noch den Schuß durch ein 1cm
starkes Sperrholz. |
| |
|
| |
| |