Cockroft Walton
Multiplier
|
Eine oft verwendete Schaltung zur Erzeugung hoher und höchster Spannung
ist der Cockroft Walton Multiplier oder Greinacher Kaskade. Sie besteht
aus einer fortgesetzten Anreihung von Spannungsverdopplerstufen nach Villard.
Spannungsquellen dieser Art wurden und werden in riesenhaften Ausmaßen
für Anwendungen in der Kernphysik (Teilchenbeschleuniger) gebaut. Kleinere,
meist fünfstufige, Einheiten wurden früher zur Hochspannungserzeugung
in Fernsehgeräte eingebaut |
| Funktion: Der Multiplier besteht
aus zwei Kondensatorsäulen, der sogenannten Schub- und der Ladesäule.
Beide Säulen sind mit Dioden verbunden. Die Eingangswechselspannung
wird in die Schubsäule eingespeist und lädt über die
Dioden die Kondensatoren der Ladesäule auf eine Gleichspannung.
Diese Gleichspannung schiebt die Wechselspannung in der Schubsäule
und somit die in der nächste Stufe gewonnene Gleichspannung auf
immer höhere Werte. Theoretisch folgt die Ausgangsspannung der
rechten Gleichung, praktisch ist die Spannung durch die unvermeidlichen
Verluste etwas kleiner |
 |
|
 |
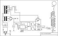
Aufbau: Das Herzstück
des Gerätes ist natürlich die Kaskade. Sie besteht aus
160 Keramikkondensatoren 1nF, 3 kV, vier pro Stufe und
40 Dioden
KYX 28/15 (10kV) und ist in eine Plexiglasröhre eingebaut. Im oberen Teil
der Röhre befindet sich noch eine Ferritkerndrossel und ein 85 MOhm
Widerstand zur Begrenzung von Entladeströmen. Auf der Röhre thront, als
Dachkapazität, eine kupferne Bettflasche (vom Flohmarkt) deren Rundungen
Sprüherscheinungen verhindern.
Gespeist wird die Kaskade mit Wechselspannung einer Frequenz
von ca. 100 kHz aus einer Inverterschaltung. Die Schaltung
ist die übliche Halbbrückenschaltung mit zwei Power Mosfets
und einer Pulsweitengeregelten Treiberschaltung. Die meisten
Bauteile des Inverters stammen aus ehemaligen PC Netzteilen,
als Trafo wurde ein, mit einer neuen Primärwicklung versehener,
Zeilentrafo verwendet |
|
|
|
| Die Betriebsspannung für die
Halbbrücke kann mittels eines Schalters in Stufen zwischen 20, 30 und
40 V verstellt werden. Ein 100uA Strommessgerät dient zur Messung des
Fußpunktstromes der Kaskade. |
|
 |
|
| Betrieb: |
| Ähnlich wie bei >>Bandgenerator<<
ist der Innenwiderstand des Gerätes für eine direkte Spannungsmessung
zu hoch deshalb wurde die Spannung wieder mit einer Kugelfunkenstrecke
gemessen. Bei Kugeln mit 20 cm Durchmesser beträgt die Schlagweite
3.5 cm, die Spannung also ~ 100 kV ( 100% ~ 40V Betriebsspannung
). Der Kurzschlussstrom wurde mit einem analogem Vielfachmessgerät
gemessen. Aus beiden Werten, Leerlaufspannung und Kurzschlussstrom
kann der Innenwiderstand zu 100kV /1.2 mA = 83 Mohm bestimmt werden.
Dieser Wert entspricht dem eingebautem Schutzwiderstand von 85MOhm |
|
Kurzschlußstrom
|
| 33% |
0.6mA |
| 66% |
0.8mA |
| 100% |
1.2mA |
| |
|
|
|
 |
Durch Entfernen dieses Widerstandes könnte also die Ausgangsleistung
der Kaskade deutlich erhöht werden. Allerdings besteht dann die Gefahr,
dass bei Überschlägen durch die hohen induzierten Ströme die Kaskade
geschädigt wird. Da die Kaskade hauptsächlich für elektrostatische
Experimente verwendet werden soll, bei denen nur kleinste Ströme angewandt
werden, ist es sicherer den Widerstand zu verwenden. Die Kaskade ist
für alle Experimente geeignet welche sonst mit einem Bandgenerator
oder einer Influenzmaschine unternommen werden und hat den Vorteil
höhere Ströme liefern zu können. |
 |
 |
| Beliebt ist das
Aufladen einer Person, der dann die Haare abstehen. Oder das
elektrostatische Windrad, durch die Sprühwirkung der entgegengesetzt
zeigenden Spitzen setzt sich das Rad nach Anlegen einer hohen Spannung in
schnelle Bewegung. Natürlich können mit dieser Spannungsquelle auch
Gasentladungen in Unterdruckgefäßen angeregt werden |
|
|
|