Hochgeschwindigkeit Photographie
|
| Der einfachste
und billigste Weg zu Kurzzeitaufnahmen für über eine Langzeitaufnahme
und Belichtung mit einem Blitz kurzer Zeitdauer. In diesem Fall bestimmt nicht
die Öffnungszeit des Kamerverschlusses die Blelichtung sondern nur die Dauer
des Blitzes. Ein Nachteil sei nicht verschwiegen, natürlich sind auf diese
Weise nur Aufnahmen von nicht selbstleuchtenden Objekten möglich, z.B. die
Aufnahme von Explosionen, dafür sind extrem teure Spezialkameras mit elektronischen
Verschlüssen (z.B. Kerrzellen) notwendig. Blitzaufnahmen nach obigen
Verfahren sind sowohl mit herkömmlichen Fotoaparate wie auch mit Digitalkameras
möglich, wichtigt ist nur eine einstellbare lange Belichtungszeit um Schwierigkeiten
mit der Synchronisation zu umgehen |
|
|
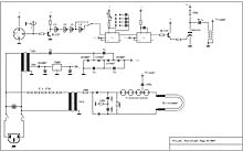
Solange es um Belichtungszeiten
von einigen Mikrosekunden handelt ist der Aufbau eines geeigneten Blitzes nicht
schwer. Als Lampe tut's eine handelsübliche Fotoblitzlampe. Statt dem sonst
üblichen Blitzkondensators von einigen Hundert Mikrofarad wird ein Kondensator
mit ca. 50nF verwendet. Um trotz des kleineren Kondensators genügt Blitzhelligkeit
zu erlangen wird mit einer Spannung von einigen Kilovolt gearbeitet. Da die üblichen
Blitzlampen eine niedrigere Zündspannung haben als die hier verwendeten 7kV
werden in Reihe zur Blitzlampe noch vier Funkenstrecken geschaltet. Sinnvoll
ist auch der Einbau einer Verzögerungsschaltung für den Triggerpuls,
da oft die Aufnahme kurz nach dem Triggerereigniss gemacht werden soll. Ein TTL-IC
SN74LS123 ist als Monoflop geschaltet und gestattet eine einstellbare Verzögerung
von 1..1000 µs und auch die aktive Flanke (pos/neg.) kann umgeschaltet werden |  |
 | Auf
dem rechten Bild ist der Aufbau des Blitzes zu sehen. Die Blitzlampe ist in einen
Fahrradreflektor eingebaut der eine gleichmäßige Ausleuchtung der Szene
erlaubt. Auffällig sind die beiden großen Kondensatoren. |
| |
| |
 |  |
Ein erster Test des Blitzes wurde mit einer drehenden Scheibe gemacht. Die
Pappscheibe mit einem Umfang von 12 cm wurde in eine Dremel Mini Tool
Maschine eingespannt. Die Maschine erlaubt eine Drehzahl von 15000 U/min d.h.
250 U/s. Bei einem Scheibenumfang von 38 cm entspricht dies einer Umfangsgeschwindig-
keit von 94 m/s, immerhin 340 km/h.Die linke Aufnahme ist mit normaler Belichtung,
die rechte mittels des Blitzes gemacht. Da die Verwischung kleiner als 1 mm ist
ist die Blitzdauer sicher kürzer als 10us. Zur Auslösung
des Blitzes wird eine Lichtschranke verwendet, welche aus einem Infrarotlaser
(Laserdrucker) und einer Fotodiode besteht |
 | Auch
der Test mit einem Luftgewehr verlief erfolgreich. Deutlich ist das Diabologeschoss
vor der Lauf-mündung zu sehen. Durch die harte Beleuchtung der Blitzlampe
ist auch der Öldampf, der aus der Mündung des Gewehrs austritt, zu sehen.
Auch die Vorgänge beim Schuß durch eine Plexiglasscheibe können
sichtbar gemacht werden. Deutlich ist die Stauchung des Geschosses zu sehen |  |
|
| >> auf das Animated
GIF-Bild klicken um den MP4-Film in höherer Qualität zu sehen |
| |