|
Teslaspule mit Trigatron
|
 |
Ähnlich den >>Wasserstoffthyratrons<<
wurde das Trigatron in Radarsendern zur Ansteuerung der Magnetrons
verwendet.Das Trigatron ist eine Funkenstrecke mit zwei Hauptelektroden
und einem Zündstift der durch eine der beiden Elektroden ragt.
Die Elektroden sind in einem kräftigen Glaskolben eingeschmolzen
der mit Argon gefüllt ist. Trigatrons sind oft mit einem Gewebestrumpf
überzogen um bei einer möglichen Explosion der Röhre
das Umherfliegen von Glassplittern zu vermeiden.Trigatrons, eine englische
Entwicklung, wurden im zweiten Weltkrieg von deutschen Radartechnikern
nach dem Fund von Beutegeräten kopiert. Bei dieser, streng geheimen,
Entwicklung wurde auf den Gewebestrumpf verzichtet sodaß der
innere Aufbau der Röhre gut zu sehen ist. Abgesehen davon und
vom Sockel ähneln sich die beiden Röhren wie ein Ei dem
Anderen. Wie jeder andere Hochspannungsschalter kann das Trigatron
gut für Pulsgeneratoren und auch Teslatrafos eingesetzt werden. |
 |
|
englische CV 100
|
|
deutsche LG 201
|
 |
Getriggert wird ein Trigatron
durch einen Hochspannungsimpuls der auf den Zündstift gegeben
wird. Für einen störungsfreien Betrieb sollte die dem Zündstift
gegenüberliegende Hochspannungs Elektrode negatives Potenial
aufweisen und der Zündimpuls eine positive Polarität aufweisen.
Mit einer Zündamplitude von 5 kV wird beim CV 100 Trigatron ein
ziemlich großer Arbeitsbereich von 8 bis 24 kV erreicht.Für
kurze Impulse von einer Mikrosekunden Dauer kann eine Ausgangsleistung
von 250 kW erzielt werden. |
|
|
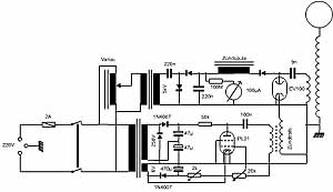
Schaltung:Die Schaltung der Trigatron gesteuerten Teslaspule
ist ähnlich wie die eines einfachen Radarmodulators aufgebaut,
nur das hier anstelle des Magnetrons die Primärspule des Teslatrafos
tritt. Das Netzteil erzeugt über eine Spannungsverdopplerschaltung
eine Gleichspannung von bis zu 10 kV. Zur Ladung der Primärkapazität
wird die Resonanzladeschaltung angewandt die eine weitere Spannungverdopplung
verursacht sodass an den Primärkondensatoren mit insgesammt
9 nF auf 20 kV geladen werden. Die Sekundärwicklung einer KFZ-Zündspule
eignet sich gut als spannungsfeste Ladedrossel. Durch die Zündung
des Trigatrons werden diese Kondensatoren über die Primärwicklung
des Teslatrafos entladen und an der Sekundärwicklung der Hochspannungsimpuls
erzeugt. Den Zündimpuls für das Trigatron liefert ein
Pulsgenerator mit einem Kleinthyratron vom Typ PL 21. Die
Wiederholrate der Impulse wird durch die Gittervorspannung der PL
21 eingestellt und kann bei dieser Schaltung im Bereich von 5 bis
30 Hz eingestellt werden. Da der Pulsgenerator nur eine Ausgangsspannung
von 600V liefert wird dieser Puls mit einem Zündtransformator
hochgespannt um die nötige 5 kV Triggerspannung zu erreichen.
|
|
 |
|
|
Schaltplan im PDF Format
|
|
 |
Auf der Oberseite sind neben
der Teslaspule auch das Trigatron, die Primärkondensatoren und
die Ladediode angebracht. Die roten Primärkondensatoren sind
keramische "Doorknop" Typen mit einer kapazität von
je 3 nF und 20 kV Betriebsspannung. Die schwarze Scheibe ist die Ladediode
die den Rückfluss der gespeicherten Energie über die Ladedrossel
verhindert. Die Primärspule aus Installationsdraht hat 12 Wicklungen
und einen Durchmesser von 15 cm. Die Sekundärspule ist mit 0,2
mm CuL Draht und circa 1000 Wicklungen auf ein Plexiglasrohr von 10
cm Durchmesser gewickelt. |
|
|
|
| Die fertige Spule in Betrieb. An
der Frontplatte sind neben der Netzschalter/ Stecker Kombination dem linken
Knopf zur Einstellung der Ladespannung, einem Instrument zur Anzeige der
Ladespannung der rechte Knopf zur Einstellung der Wiederholrate angebracht. |
| |