Inverter für Kaltkathodenlampen
|
|
Bei vielen Arbeiten und Aufbauten benötigt man etwas höhere
Spannungen bei nur kleinen Strömen. Geigerzähler, Funkenzähler,
Fotomultiplier, Elektronenröhren, Triggerschaltungen und kleine
Laser benötigen Spannungen von einigen Hundert bis einigen
Zehntausend Volt. Üblicherweise werden dazu Spannungswandler
verwendet. Solche Module werden mit verschiedensten Daten kommerziell
angeboten, sind aber meist recht teuer und schwierig zu erhalten.
Der Selbstbau ist natürlich möglich, aber dazu muß
ein Transformator gewickelt werden. Eine Arbeit, die die meisten
Bastler ungern machen zudem auch die notwendige Isolation der Wicklungen
nicht ganz einfach ist.
|
Einen Ausweg bietet die Verwendung von
Invertern für den Betrieb von Kaltkathoden-Floureszenzlampen
wie sie beim Computer-Modding verwendet werden. Diese Module sind
ziemlich billig zu bekommen.
Die Schaltung besteht aus einen Royer-Konverter der den Trafo mit
einer Frequenz von etwa 40 kHz ansteuert. Die Sekundärwicklung
ist galvanisch vom Eingangsteil getrennt was für eine Beschaltung
oft günstig ist. |
|
Das rechts gezeigte Modul
N5167 ist bei
>>Neuhold Elektronik << für
nur 2,95€ (Feb. 2016) erhältlich. Das Modul ist nominell
für eine Eingangsspannung von 12 V konzipiert kann aber nach
eigenen Experimenten auch mit über 15 V betrieben werden. Der
aufgenommene Strom hängt natürlich von der ausgangsseitigen
Belastung ab, mit einer hochohmigen Last (~ 100µA) beträgt
er etwa 100 mA.
Die beiden blauen Kondensatoren die den Strom durch die Lampen begrenzen
können für die meisten Anwendungen entfernt werden. |
|
|
| Ohne weitere Beschaltung können mit dem Inverter
Gasentladungslampen betrieben werden. Wie unten mit einer antiken
Wasserstoff- und einer Helium-Spektralröhre |
 |
 |
|
| Will man eine Gleichspannung als Ausgang muss natürlich
eine passende Schaltung hinzu gefügt werden. Zum Test wurden
zwei Schaltungen aufgebaut, eine mit Einweggleichrichtung und eine
Verdopplerschaltung. Man sieht das die Ausgangsspannung in einem weiten
Bereich der Eingangsspannung folgt. |
 |
 |
 |
|
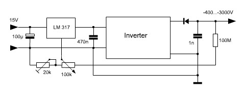
| Einstellbare, stabilisierte Hochspannungsquelle |
 |
Will man eine konstante Hochspannung
erzeugen kann man die Schaltung um eine Regelung erweitern. Zu diesem
Zweck eignen sich die einstellbaren Spannungsregler vom Typ LM317,
b.z.w. LM 337, je nachdem ob man eine positive oder negative Ausgangsspannung
benötigt.
Die linke Schaltung erzeugt eine einstellbare Spannung im Bereich
von -400 bis -3000 Volt. Wichtig ist der 20 kOhm Trimmer der die minimale
Spannung festlegt. Ist der Wert zu klein wird die Regelung instabil.
Zur Erzeugung positiver Ausgangsspannungen wird der Regler LM 337
verwendet. |
|
| Ein Nachteil der einfachen Schaltungen sei nicht verschwiegen.
Die hochfrequenten Schwingungen des Konverters können benachbarte Schaltungszüge
stören. Wird die Schaltung zur Versorgung empfindlicher Sensoren (z.B.
Fotomultiplier) verwendet sollte man sie in einer eigenen Abschirmbox unterbringen
und die Ausgangsspannung gut sieben. |
| . |
Noch höhere
Spannungen werden mit einer Kaskade erreicht. Mit einem freien Aufbau
wie im rechten Bild kann die Ausgangsspannung über 25 kV zu erreichen.
Darüber hinaus werden die Sprüherscheinungen zu dominant.
Ohne Last, nur mit demVorwiderstand von 1000 MOhm für das Messgerät
wird die Ausgangsspannung von 25 kV mit einer Eingangsspannung von
6,5 Volt erreicht. Bei einer Spannung von 25 kV und einem Lastwiderstand
von 100 MOhm (Strom 250µA) werden bei einer Eingangsspannung
von 11 Volt 800 mA aufgenommen. Immerhin noch ein Wirkungsgrad von
71%.
|
 |
| Eingang ( 1000 MOhm Last) |
Eingang (100 OHM Last) |
Ausgangsspannung |
| 1,2 V |
1,6 V |
5 kV |
| 2,4 V |
2,9 V |
10 kV |
| 3,7 V |
6,2 V |
15 kV |
| 5,0 V |
8,6 V |
20 kV |
| 6,6 V |
10,9 V |
25 kV |
|
|
| Die Ausgangsspannungreicht z.B. für eine kleine
>Röntgenröhre<.
Auch zum Ladungen von Kondensatoren ist die Schaltung gut geeignet.
Ein Marxgenerator (insgesamt 10,8nF) kann ca. zweimal pro Sekunde
geladen und ein kleiner N2 Laser ( ingesamt 5 nF) mit ca. 10 Hertz
betrieben werden. |
 |
 |
|
|
Noch deutlich höhere Spannungen können erreicht werden
wenn die Kaskade isoliert wird sodass Sprüherscheinungen unterbunden
werden.
Auf dem rechten Bild ist eine Kaskade zu sehen die in ein mit Paraffinöl
gefülltes Plexiglasrohr eingebaut wurde. Paraffinöl wird
vom Verfasser dem üblichem Trafoöl vorgezogen. Paraffinöl
ist geruchsneutral, gesundheitlich unbedenklich ( wird sogar für
kosmetische Produkte verwenden) und verschmutzte Gegenstände
können relativ einfach mit Seifenwasser gereinigt werden. Kurzum,
die Sauerrei die beim versehentlichem Auslaufen entsteht hält
sich in Grenzen.
Bei einer Eingangsspannung von 15V am Inverter wird eine Ausgangsspannung
von 100 Kilovolt ( 50µA über 2 Gigaohm) erreicht. Obwohl
der Innenwiderstand mit 200 Megaohm aufgrund der vielen Stufen der
Kaskade (28) ziemlich hoch ist, kann das Gerät für viele
Experimente verwendet werden. Wird die Schaltung zusätzlich
zum eingebautem Spannungsteiler mit 100µA belastet hat man
immer noch eine Spannung von über 80kV, mehr als genug z.B.
für eine Röntgenröhre oder einen >Neutronengenerator<.
|
 |
| |
|
| |
| |
| |
| |