Diffusions Nebelkammer mit Kompressorkühlung
|
|
Allgemeines:
|
Ein Nachteil der zuvor gebauten
>>>Kammer <<<
ist die Notwendigkeit der Wasserkühlung, und diese kann durch
ein Kompressorkühlaggregat vermieden werden.
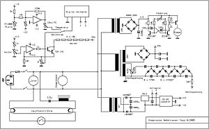
Das Arbeitsprinzip der Kompressorkühlung ist rechts skizziert.
Das gasförmige Arbeitsmedium (z.B. Frigene, Butan, Propan) wird
mittels eines Kompressors auf 20 bar verdichtet und erwärmt sich
dabei auf z.B. 80°C. In einem Kühler mit Lüfter wird
dann das Medium auf nahezu Raumtemperatur gekühlt und dadurch
verflüssigt. Nach der Entspannungsdüse im Verdampfer veringert
sich der Druck wieder auf z.B. 1bar, das Medium wird wieder gasförmig
und durch die verbrauchte Verdampfungswärme kühlt es sich
und die Umgebung des Verdampfers auf z.B. -20°C ab. Anschliesend
wird das gasförmige Medium wieder vom Kompressor angesaugt, verdichtet
und der Kreislauf beginnt von Neuem. |
 |
|
| Aufbau, Kühlsystem : |
|
| Problematisch ist die Ankopplung des Verdampfers an
die zu kühlende Boden-platte. Ideal wäre ein selbstgebauter
Verdampfer der direkt an die Bodenplatte angelötet ist. Dazu
ist es aber unumgänglich den Kühlkreislauf zu öffnen
und nach der Fertigstellung wieder zu befüllen. Für diese
nicht einfache Prozedur sind gute Kentnisse der Kältetechnik
(Kühlmittelmenge, Fülldruck, Ölmenge etc. ) notwendig.
Hier wurde einfacherweise der vorhandene Verdampfer verwendet und
der große Luftspalt (1..2 mm) zwischen Verdampfer und zu kühlender
Platte wird mit einem Gemisch aus kleinen Kupferdrähtstückchen
und Wärmeleitpaste überbrückt. So konnte der Temperaturgradient
zwischen Kühlschlange und Platte auf < 3° gehalten werden.
Die rechte Abkühlkurve zeigt, daß die Endtemperatur von
ca. -18°C, der 14 x 23 cm großen Plattenach etwa 10 Minuten
erreicht, die Temperatur des Verflüssigers pendelt sich nach
einer anfänglichen Erhöhung auf 23°C ein. |
 |
|
|
|
 |
Das Kühlsystem, bestehend
aus Kompressor, Verflüssiger und Verdampfer ,ist auf einem Blechchasis
aufgebaut. Die Kupferschlangen des Verdampfers, welche die Bodenplatte
der Kammer kühlen, sind zur Wärmedämmung mit Schaum
isoliert. Über dem Verdampferblock ist die Kammer aus PVC angeordnet.
Zur Beleuchtung dient eine seitlich angebrachte Leuchtstoffröhre
und zur Alkoholzirkulation eine in der Fördermenge einstellbare
Schlauchpumpe. Da die minimale Drehzahl des Pumpenmotors noch zu hoch
ist wird die Fördermenge durch das An/Aus Verhältniss des
Motors eingestellt. Ebenfalls einstellbar ist die Hochspannung des
Sauggitters und der Strom des Heizers. Ein Digitalvoltmeter zeigt
wahlweise die Plattentemperatur mittels eines Pt1000 Widerstandes
oder den Heizstrom/Spannung an. |
|
|
|
| |