Diffusions Nebelkammer
|
|
Allgemeines: Die Diffusions Nebelkammer arbeitet nach dem gleichen
Prinzip wie die >>Expansionskammer<<
. Wieder wird eine Atmosphäre übersättigten Dampfes geschaffen
dessen Kondensation an den durch die Teilchen hervorgebrachten Ionen die
Bahnen der Teilchen anzeigt. Im Gegensatz zur Expansionskammer wird aber
die Diffusion eines Dampfes von einer warmen zu einer kalten Fläche
genutzt. Auf seinem Weg zur kalten Fläche kühlt der Dampf unter
den Taupunkt ab und so wird eine Zone mit übersättigtem Dampf
geschaffen. So arbeitet die Diffusionskammer im Gegensatz zur Expansionskammer
kontinuierlich da ständig an der warmen Fläche aus einer Vorratsflüssigkeit
Dampf generiert wird, zur kalten Fläche diffundiert und dort kondensiert.
Erstmals beschrieben wurde die Diffusions Nebelkammer 1936 von Langsdorf,
und Lander und Nielson bauten 1953 eine Kammer die in
Abarten heute noch gebräuchlich ist.
|
| Die meisten Nebelkammer unterscheiden sich lediglich
in der Art der Kühlung der kalten Fläche. Lander und Nielson
verwendeten Trockeneis (gefrorene Kohlensäure) zur Kühlung
bis auf -79°C. Diese Art der Kühlung erlaubt den Bau äußert
einfacher Kammern wozu nicht wesentlich mehr als ein Marmaladenglas, etwas
Karton, einen Schwamm und natürlich Trockeneis notwendig ist. Aufwendigere
Konstruktionen, vorallem von großen Kammer, verwenden Kältemaschinen,
wie in einem Kühlschrank. In der Komplexität dazwischen liegen
Kammern welche zur Kühlung Peltierelemente verwenden und eine
solche soll hier beschrieben werden. |
| Peltierelemente, einst exotische Bauelemente,
werden mittlerweile viel verwendet, z.B. in Kühlboxen und sind durch
die Massenproduktion recht billig geworden. Peltierelemente können,
vereinfacht gesagt, Wärme mittels Stromfluß von einer Seite zu
anderen transportieren so kühlt eine Seite ab und die andere erwärmt
sich. Ein Problem ist der relativ geringe Wirkungsgrad der Elemente, der
bei etwa 60% liegt. So muß an der warmen Seite nicht nur die transportierte
Wärme, sondern auch die Verlustleistung abgeführt werden, was
ein leistungsfähiges Kühlsystem voraussetzt. |
| Aufbau: |
Für den ersten Aufbau
wurde als Kammer ein Plexiglasrohr mit großem Durchmesser (ca.
12cm) verwendet.Sie entsprach der rechten Skizze. Obwohl die Kammer
prinzipiel funktionierte, mußte eine andere Konstruktion versucht
werden, da das Plexiglasrohr stark von der Kammerflüssigkeit
(Isopropanol) angegriffen wurde und schon nach Stunden von einem Netz
feiner Risse durchzogen war. Offenbar sind aber hauptsächlich
Plexiglasrohre betroffen, Platten werden nicht so stark angegriffen.
Der nächste Versuch wurde mit einem Gehäuse aus Aluminium
unternommen. Auch diese Kammer funktionierte, allerdings wurde durch
die gute Wärmeleitung der Aluwände starke Strömungen
erzeugt welche die Bahnspuren zerstören. Und der am Boden kondensierende
Alkohol bildet eine Wärmebrücke an der Bodenplatte welche
nach einiger Zeit die Kühlung beeinträchtig. |
 |
Die dritte
Kammer wurde ähnlich dem ersten Versuch aufgebaut, allerdings
wurde kein Plexiglas verwendet sondern ein Kasten aus Glasplatten
mit Siliconkautschuk geklebt. Auf einer von Kühlwasser
durchspülten Bodenplatte aus Plexiglas sind zwischen zwei
Aluplatten die Peltierelemente befestigt. Die, in der über
der oberen Platte in der übersättigten Zone, entstehenden
Nebelspuren werden mit einer seitlichen Beleuchtung aus einem
LED Zeile und einer Plexiglas Zylinderlinse sichtbargemacht.
|
 |
| Im oberen Teil der Kammer
befindet sich eine mit Alkohol gefüllte umlaufende Rinne.Durch
gelindes Erwärmen der Rinne mit einem elektrischen Heizer
wird der Alkohol verdampft. Unter dem Verdampfer ist noch ein
auf eine höhere Spannung (einige Hundert Volt) aufgeladenes
Gitter eingebaut, welches den Zweck hat Ionen, welche von alten
Bahnspuren stammen, zu beseitigen. Abgedeckt ist die Kammer
mit einer Plexiglasplatte durch welche die Spuren beobachtet
und fotographiert, b.z.w. gefilmt werden kann. Bis auf einen
schmalen Schlitz zur Beleuchtung sind die Glaswände zur
Vermeidung von Kondenzwasser und zur Wärmeisolierung mit
schwarzem Filz beklebt. Auf diesen Schlitz ist direkt die Plexiglaszylinderlinse
geklebt und davor in einigem Abstand die LED Zeile. Der auf
der Bodenplatte kondensierte flüssige Alkohol wird über
ein 50ml Reservoir mit einer einfachen, selbstgebauten Schlauchpumpe
nach oben in die Verdampferrinnen transportiert und steht somit
dem Prozess wieder zur Verfügung |
 |
|
|
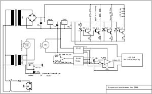
| Schaltung: |
|
Die Elektrik der Nebelkammer
besteht hauptsächlich aus diversen Netzteilen. Die meiste Energie
verbraucht der Peltierkühler. Es wurden jeweils zwei Elemente
in Reihe geschaltet und verbrauchen je Reihe einen Strom von 3A bei
16V. Der Heizer gibt sich mit bescheidenen 0.6A bei 10V Spannung zufrieden
und die LED Zeile verbraucht nur 180mA bei 20V Spannung. Die 600V
Spannung zur Entionisierung wird nur sehr hochohmig (2 Mohm) belastet.
Zur Temperaturmessung werden zwei Pt100 Widerstände verwendet
deren Messspannung mit einem Digitalvoltmeter angezeigt werden.
In den Stromquellen wird eine große Verlustleistung umgesetzt,
und da für die Peltierelemente sowieso eine Wasserkühlung
vorhanden ist werden die Transistoren der Stromquellen mit einem Bypass
mit gekühlt |
 |
|
 |
 |
 |
Links oben ein Bild
der Kammer vor dem Zusammenbau und daneben ein Bild der Rückseite
mit dem wassergekühltem Kühlkörper.Zwischen Kühlkörper
und Ventilator befinden sich drei Einstellpotis ,von oben nach
unten, für Peltierstrom, LED Strom und Heizerstrom
Links das Bild der fertigen Kammer. Auf der Oberseite links
der abnehmbare Kammerdeckel und daneben der Einfüllstutzen
für das Alkohol-Reservoir.
An der Frontplatte ist rechts der Netzstecker, darüber
der Netzschalter. Daneben die umschaltbare Temperaturanzeige
für Bodenkühlung und Verdampferheizung. Ganz links
der Nippel zum Einblasen einer radioaktiven Gasprobe. |
|
|
|
|
| |
Zur Kühlung der Bodenplatte werden vier Peltierelemente
vom Typ TEC1 127 0 6T125 mit den rechts stehenden Daten verwendet.Bei
einer Kühlwassertemperatur von 15°C wird bei einem Peltierstrom
von 3A (insgesamt 6A) eine Bodenplattentemperatur von, je nach Kühlwasser-durchfluß,
-15 bis -17°C erreicht. Ein höherer Strom brachte keine wesentliche
weitere Erniedrigung der Temperatur. So werden die Elemente weit unter
ihren Grenzdaten betrieben was auch einen positiven Einfluß
auf deren Lebensdauer hat. Auch scheint der Unterschied zwischen -15
und -17°C keinen Einfluß auf die Sichtbarkeit der Bahnspuren
zu haben.
|
| max. Verlustleistung |
90W |
| Kühlleistung |
60W |
| max. Spannung |
15.2V |
| max.Strom |
6A |
|
Nach der Füllung des Reservoirs mit etwa
30ml Iso-Propanol wird die Wasserkühlung und dann die Nebelkammer
eingeschaltet. Der Netzschalter schaltet gleichzeitig all Funktionen
der Kammer (Peltier, Heizer, LED's, Pumpe ) ein. Nach etwa 10
Minuten ist die Bodenplatte auf etwa -15°C abgekühlt,
der anfänglich sichtbare Tröpfchenregen lichtet sich
und die ersten Bahnspuren werden sichtbar. Mit einer Füllung
des Reservoirs von 30ml Propanol kann bei Föderleistung
der Schlauchpumpe von 0.5 ml/min, einer Bodenplattentemperatur
von -16°C und einer Heizertemperatur von 40°C kann nun
ein kontinuierlicher Betrieb der Kammer über Stunden aufrecht
erhalten werden.Der Nulleffekt durch die Umgebungsradioaktivität
und Höhenstrahlung beträgt etwa 10 Spuren pro Minute.
|
 |
Interessant
ist die zu beobachtende Bahnkrümmung mancher Spuren,
die wohl von dem durch den Peltierstrom erzeugten Magnetfeld
herrührt.
Die empfindliche Schicht ist etwa 5 mm dick und je nach
Höhe der Bahnen über der Bodenplatte sind die
Spuren scharf begrenzt oder mehr diffus. |
 |
|
|
|
|
Durch ein eingebrachtes radioaktives Präparat kann man die Zahl
der Spuren deutlich erhöhen. Ein Nachteil ist, daß das tief
über der Bodenplatte angebrachte Präparat schnell abkühlt
und sich dann mit einer Alkoholschicht überzieht, welche die ausgestrahlten
Alpha- und Betateilchen stoppt. Die durchdringenden Gammastrahlen ergeben
leider kaum brauchbare Bahnen. Ein Ausweg findet sich in der Anwendung
eines radioaktiven Gases.
|
| Ein solches steht in der Form von Radon
leicht zur Verfügung. Dazu wird ein Glühstrumpf in eine
kleine Plastikspritzflasche gebracht. Beim Zerfall des im Glühstrumpf
enthaltenen Thoriums entsteht laufend 86Radon220
(Thoron). Diese wird mit leichtem Druck auf die Spritzflasche
über einen Schlauch in die Kammer geleitet.Dort zerfällt
es unter Aussendung von Alphateilchen mit einer Halbwertszeit
von 56s in in 84Polonium216 welches mit
einer Halbwertszeit von 0.15 s ebenfalls unter Aussendung von Alphateilchen
zerfällt. Die unteren Bilder sind drei typische Bahnspuren
des Thoronzerfalls. Sie bestehen sehr oft aus zwei sichtbaren Spuren,
awhrscheinlich eine vom Radonzerfall und die andere vom kurz darauf
folgendem Poloniumzerfall |
|
 |
 |
 |
|
|
Aufgenommen wurden die Bilder
als Standbilder aus einem mittels einer Kamera und einem DVD Recorder
aufgenommenen Films erhalten, deshalb erreicht die Qualität nur
Videoauflösung und gibt leider nicht die Brillianz,Schärfe
und Dynamik wieder die bei direkter Betrachtung entsteht. Im rechten
Fenster können Sie einen 14 Sekunden Videoclip
(Avi Format ) laden das einen kleinen Ausschnitt der Nebelkammer Aktionen
zeigt. Allerdings ist das File 1.8 MByte groß sodaß man
sich beim downloaden schon etwas in Geduld üben muß. |
 |
|